|
VS1-12永磁户内高压真空断路器
VS1-12永磁户内高压真空断路器
VS1-12型固封式(VBM7)真主断路器系户内高压开关设备,适用于额定电压12千伏、频率50Hz的三相电力系统中,你为保护和控制电器使用,由于真空断路器的特殊优越性,尤其适用于需要额定电流下的频繁操作,或多次开断短路电流的场所。
VS1-12型固封式(VBM7)真空断路器采用固定式安装,主要用于固定式开关柜,该断踏器既可单独使用,又可用于环网供电、箱式变或各种非标供电系统。
性能优点
该型产品主绝缘采用固体绝缘,真空灭弧室整体浇注在环氧树脂绝缘筒肉,采用该结构大大提高了产品的绝缘性能.能满足潮湿和高海拔等环境条件要求。
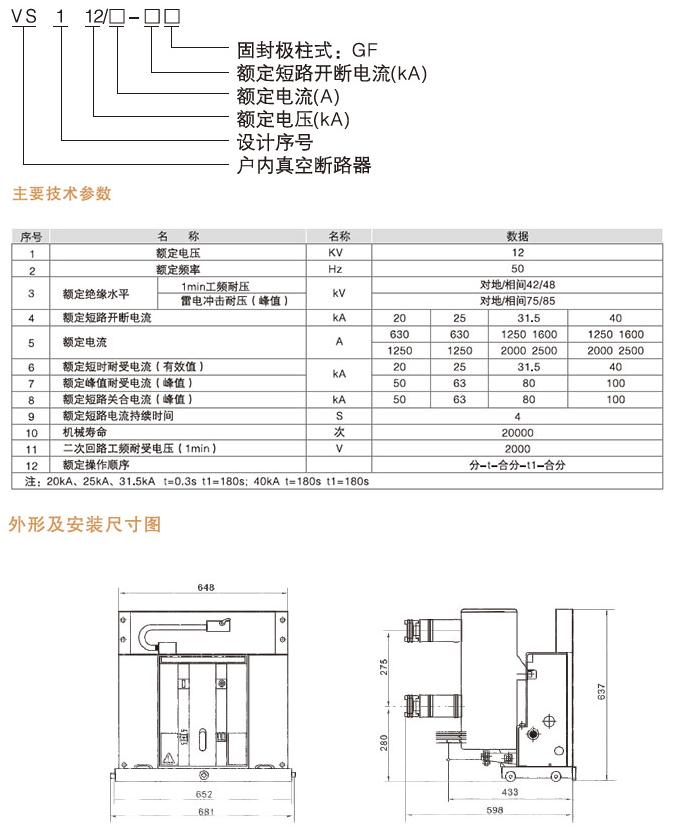
型号含义

