|
GCK低压抽出式开关柜
用途
GCK低压抽出式开关柜由动力配电中心(PC)柜和电动机控制中心(MCC)二部分组成,适用于发电厂、变电站、工矿企业等电力用户作为交流50Hz,最大工作电压至660V,最大工作电流至3150A的配电系统中,作为动力配电、电动机控制及照明等配电设备的电能转换分配控制之用。
特点
本系列产品具有分断能力高,动热稳定性好,结构先进合理,电气方案切合实际,系列性。通用性强,各种方案单元任意组合,一台柜体所容纳的回路较多,节省占地面积,外形美观,防护等级高,安全可靠,维护方便等优点。
本产品符合IEC 349 NEMA CIS—2322标准、也符合GB 2751.2005《低压成套开关设备》国家标准和ZBK 63001《低压抽出式成套开关设备》专业标准。
使用环境条件
•海拔不超过2000m。
•周围空气温度不高于+40℃,并且24h内平均温度不高于+350℃,周围空气温度不低于-50℃。
•大气条件:空气清洁,相对湿度在温度为+40℃时不超过50%,在温度较低时允许有较高的相对湿度,列如:+20℃时为90%。
•没有火灾,爆炸危险,严重污秽,化学腐蚀及剧烈震动的场所。
•与垂直面倾斜不超过5°。
•本产品适合以下温度运输储存:-25℃~+55℃,在短时间内(不超过24h)不超过+70℃。
•如上述使用条件不能满足时,应由用户在订货时向制造厂方提出,协商解决。
开关柜的主要技术参数
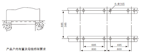
外形尺寸安装尺寸
产品安装基础示意图
◆本产品在安装时,柜与柜之间的水平线应连接牢固可靠。
◆本产品的门与主开关有联锁功能,即只有在断电的情况下门才可能打开,本产品的其它侧面为螺钉封板,与主开关没有联锁功能,故请用户在拆开本产品侧板检修时,务必断开电源。
◆非专业人员请勿打开柜体维护检修。

