|
GCS低压抽出式开关柜
概述
GCS装置适用G于发电厂、石油、化工、冶金、纺织、高层建筑等行业的配电系统。在大型发电厂、石化系统等自动化程度高,要求与计算机接口的场所,作为三相交流频率为50(60)Hz,额定工作电压为380V(400V),( 660V),额定电流为4000A及以下的发、供电系统中的配电、电动机集中控制、无功功率补偿使用的低压成套配电装置。
型号含义
性能指标
装置的设计符合下列标准
•IEC439-1低压成套开关设备和控制设备
•GB 7251低压成套开关设备
•ZBK 36001低压抽出式成套开关设备
基本参数
主结构
•主构架采用8MF型开口型钢,型钢的二侧面分别有模数为20mm、100mm和φ9.2mnl的安装孔,内部安装灵活方便。
•主构架装配形式设计为两种,全组装式结构和部份(侧框和横梁)焊接式结构,供用户选择。
•装置的各功能室相互隔离,其隔室分为功能单元室、母线室和电缆室。各室的作用相对独立。
•水平主母线采用柜后平置式排列方式,以增强母线抗电动力的能力,使装置的主电路具备高短路强度能力的基本措施。
•电缆隔室的设计使电缆上下进出均十分方便。
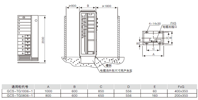
•装置通用柜体的尺寸系列(见下表):
功能单元
•抽屉层高的模数为160mm,分为1/2单元、1单元、3/2单元、2单元、3单元五个尺寸系列。单元回路额定电流400A及以下。
•抽屉改变仅在高度尺寸上变化,其宽度、深度尺寸不变。相同功能单元的抽屉具有良好的互换性。
•每台MCC柜最多能安装11个一单元的抽屉或22个1/2单元的抽屉。其中一单元以上抽屉采用多功能后板。
•抽屉进出线根据电流大小采用不同片数的同一规格片式结构的插件。
•1/2单元抽屉与电缆室的转接采用背板式结构ZJ-2型转接件。
•单元抽屉与电缆室的转接按电流分档采用相同尺寸棒式或管式结构ZJ-1型转接件。
•抽屉单元设有机械联锁装置。
主要电器元件
•主要电器元件的选用原则立足于引进技术,国内能成系列批量生产,又能满足装置高性能的要求。
•电源及馈线单元断路器主选AH系列,也可选用其它性能更先进的Schneider公司生产的M系列、ABB公司生产的F系列。AH型断路器具有性能好、结构紧凑、重量较轻、系列性强的特点。价格相对较低,维护使用方便,各项性能指标能满足本装置的要求。
•抽屉单元(电动机控制单元、部份馈电单元)断路器主选CM1、TG、TM30系列塑壳断路器,部份选用MOELLER公司生产的NZM-100 A系列。 这些开关均有性能好,结构紧凑、短飞弧或无飞弧、技术经济指标高的特点,能满足本装置的要求。
•隔离开关及熔断器式隔离开关选Q系列。该系列可靠性高、分断能力强并可以实现机械联锁。
•熔断器主选NT系列。
•交流接触器选用B系列、LC1-D系列。
装置特点
•提高转接件的热容量,较大幅度的降低由于转接件的温升给接插件、电缆头、间隔板带来的附加温升。
•功能单元之间、隔室之间的分隔清晰、可靠,不因某一单元的故障而影响其它单元工作,使故障局限在最小范围。
•母线平置式排列使装置的动热稳定性好,能承受80/167kA短路电流的冲击。
•MCC柜单柜的回路数量多到22回,充分考虑大单机容量发电,石化系统等行业自动化电动机群的需要。
•装置与外部电缆的连接在电缆隔室中完成,电缆可以上下进出。电流互感器装置于电缆隔室内,使安装维修方便。
•同一电源配电系统,可以通过限流电抗器匹配限制短路电流,稳定母线电压在一定的数值,还可部分降低对元器件短路强度要求。
•抽屉单元有足够数量的二次插接件(1单元及以上为32对,1/2单元为20对),可满足计算机接口和自控回路对接点数量的要求。
辅助电路
辅助电路图的设计符合《火力发电厂厂用电设计技术规定》等有关设计技术规程规定,适用于发电厂、变电站的低压厂(所)用电系统及厂矿企业、高层建筑内的低压配电系统。
辅助电路方案根据主电路方案分电源进线、馈线(PC)和电动机馈线(MCC)操作控制的功能单元进行设计。
安装与使用
产品到达收产货地点后,首先应当检查包装是否完整无损,发现问题应及时通知合同有关部门做好商务记录,共同分析原因,作好签证和善后处理。对于不立即安装的产品,应根据正常使用条件和电气设备暂时保管规程要求置于适当的场所,妥善保管。
•产品的安装应按安装示意图进行(见附图)。基础槽钢和采用螺栓固定方式时的螺栓由用户自备。主母线连接时。如表面因运输、保管等原因有不平整时需平整后再连接紧固。
•装置单独或成列安装时,其垂直度以及柜面不平度和柜间缝隙的偏差应符合下表规定。
•产品安装后投运前的检查与检验
(1).检查柜面漆或其它覆盖材料(如喷塑)有否损坏,柜内是否干燥清洁。
(2).电器元件的操作机构是否灵活,不应有卡滞或操作力过大现象。
(3).主要电器的主辅触头的通断是否可靠、准确。
(4).抽屉或抽出式机构抽拉应灵活、轻便,无卡阻和碰撞现象。
(5).抽屉或抽出式结构的动、静触头的中心线应一致,触头接触应紧密。主、辅触头的插入深度应符合要求。机械联锁或电气联锁
置 应装动作正确,闭锁或解除均应可靠。
(6).相同尺寸的抽屉应能方便的互换,无卡阻和碰撞现象。
(7).抽屉与柜体间的接地触头应接触紧密,当抽屉推入时,抽屉的接地触头比主触头先接触,拉出时接地触头比主触头后断开。
(8).仪表的刻度整定、互感器的变化及极性应正确无误。
(9).熔断器的熔芯规格应符合工程设计的要求。
(10).保护的额定值及整定应正确,动作可靠。
(11).用0100V兆欧表测绝缘电阻值不得低于1MΩ。
(12).各母线的连接应良好,绝缘支撑件、安装件及其它附件安装应牢固可靠。
使用注意事项
(1).装置为不靠墙安装,正面操作,双面维修的低压配电柜。柜的维修通道及柜门,必须是考核合格的专业人员方可进入或开启进行操作、检查和维修作。
(2).空气断路器、塑壳断路器经过多次分合,特别是经过短路分合后,会使触头局部烧伤和产生碳类物质,使接触电阻增大,应按断路器使用说明书进行维护和检修。
(3).经过安装和维修后,必须严格检查各隔室之间、功能单元之间的隔离状况,以确保本装置良好的功能分隔性,防止出现故障扩大。
产品成套性
制造厂供货时提供下列文件及附件:
•装置清单
•产品合格证
•使用说明书
•出厂试验报告
•有关电气图纸
•柜门钥匙、操作手柄及合同规定的备品配件
•主要元器件的安装使用说明书
订货须知
订货合同包含以下内容:
•产品的全型号包括主电路方案号和辅助电路方案号
•主电路系统组合顺序图
•辅助电路电气原理图
•柜内元器件清单
•电路中电压、电流、时间等整定参数
•与产品正常使用不符的其它特殊要求
安装示意图
图3、MCC 柜安装示意图

